Şalter, akü
Bosch
Şalter, akü
₺4.767,36Tukendi
SKU: 0341003006
Aciklama
Uygun maliyetli, güvenilir ve emniyetli: Bosch elektrik şalterleri hemen hemen tüm araçlarda bulunurken, geniş çeşitlilikteki uygulamalarda çok yönlü açıp kapama seçenekleri sunar.
Avantajlar
- Bulunabilirlik garantisi olan geniş ürün yelpazesi: Eski-yeni, birçok marka ve model araca mükemmel uyum sağlar
- Yüksek kaliteli malzemeler ve test standartları: Uzun servis ömrü ve güvenilirlik için
- Her fonksiyonla eşleştirmek için değiştirilebilir semboller : Kullanım amacı için tam bir netlik sağlar
Teknik Ozellikler
Satış modeli (IAM)
0 341 003 006
Tanımlama
Şalter, akü
Makale durumu
Normal
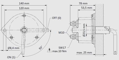
Uzunluk (ambalajsız)
140 mm
Eni (ambalajsız)
150 mm
Yükseklik (ambalajsız)
106 mm
Çapı (ambalajsız)
105 mm
Önerilen aksesuar
500 A
Etkinleştirme türü
Döndürmeli etkinleştirme
Bağlantı
Vida dişli kontak
Tip formülü
2 POLIG
OE Numaralari
139384
000 545 38 08
A 000 545 38 08
50 00 251 138
246942
1505033

